Seite 9 von 9
Re: IDE Harddisk für den MC-CP/M Computer (nicht nur)
Verfasst: 2. Nov 2023, 11:06
von Alfred
Code: Alles auswählen
... schön nochmals auf die Urspünge zu stoßen und Grundlagen wieder zu vertiefen.
genau und die in der Vergangenheit neu eingebauten Bugs bzw. Schlampereien erkennen
Gruß
Alfred
Re: IDE Harddisk für den MC-CP/M Computer (nicht nur)
Verfasst: 15. Nov 2023, 10:15
von Werner_8085
Hallo Alfred,
gibt es schon Erkenntnisse zum ECMA-70, die man/wir in Software für unsere zahlreichen CP/M "Kisten" gießen könnten?. So als Standard, damit der Datenaustausch zwischen den doch sehr unterschiedlichen Rechnern einfacher wird...
LG Werner
PS: Der grundsätzliche Datenaustausch zwischen BDOS und BIOS habe ich im Anhang soweit aufgedröselt, wobei der physikalische Teil (lesen/schreiben) noch einer deutlichen Analyse bedarf.
Re: IDE Harddisk für den MC-CP/M Computer (nicht nur)
Verfasst: 15. Nov 2023, 18:39
von Alfred
Hallo Werner,
ja bin etwas weiter, mache dazu ein neues Thema auf.
Danke für das PDF, schaue ich die Tage an...
Gruß
Alfred
Re: IDE Harddisk für den MC-CP/M Computer (nicht nur)
Verfasst: 16. Dez 2023, 16:58
von Alfred
Heute mal ein bisschen experimentiert ... man nehme:

- SSD1a.JPG (218.02 KiB) 42560 mal betrachtet
montiere eine SSD:

- SSD2a.JPG (213.43 KiB) 42560 mal betrachtet
Grobmotoriker darf man dazu nicht sein:

- SSD3a.JPG (234.99 KiB) 42560 mal betrachtet
Re: IDE Harddisk für den MC-CP/M Computer (nicht nur)
Verfasst: 16. Dez 2023, 17:01
von Alfred
und teste:

- BZ.jpg (127.48 KiB) 42559 mal betrachtet
und zum Vergleich ein 128MB DOM:

- PQI.jpg (115.91 KiB) 42559 mal betrachtet
Quasi neu gegen alt, d.h. es gibt Optimierungsbedarf
Gruß
Alfred
Re: IDE Harddisk für den MC-CP/M Computer (nicht nur)
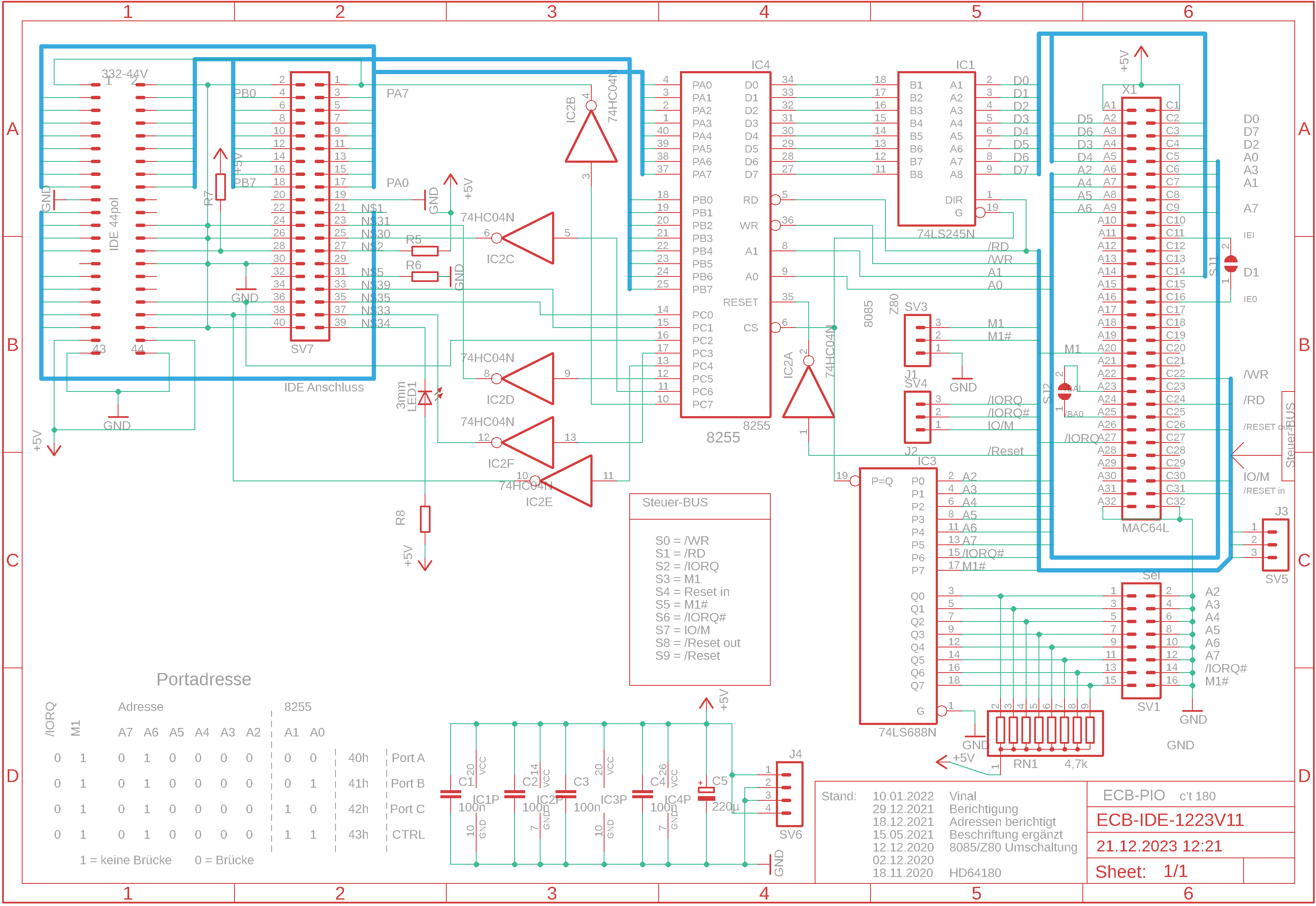
Verfasst: 21. Dez 2023, 13:36
von Werner_8085
wie weiter oben beschrieben gab es noch ein paar Layoutmängel.
- Gänseblümchenketten haben jetzt einen Lötjumper
- 44pol 2mm Anschluß für Flashspeicher ist hinzugekommen.
Damit können dann die schönen kleinen Module genutzt werden - statt den etwas zickigen CF-Karten.

- ECB-IDE-1223V11-sch.png (138.44 KiB) 42530 mal betrachtet

- ECB-IDE-1223V11-brd.png (237.6 KiB) 42530 mal betrachtet
LG Werner
PS: hier noch die Eagle Daten
Re: IDE Harddisk für den MC-CP/M Computer (nicht nur)
Verfasst: 22. Dez 2023, 14:27
von Alfred
Sehr schön Werner und besten Dank für deinen Einsatz
Gruß und ein frohes Fest
Alfred